燃油电加热系统
FUEL ELECTRIC HEATING SYSTEM

电加热器由本体与控制箱构成。本体内部设加热管限温器(220℃)及介质限温器(燃油 150℃、水 90℃、空气 70℃),外部配备安全阀、压力开关及温度传感器。控制箱配置文本显示器及带温度模块的 PLC,实现对本体加热元件的检测与控制。
采用多级控制方式:一级为固态继电器,其余为交流接触器,通过 PID 控制信号自动调节接触器动作及固态继电器输出功率,实现大功率电加热器无级调功,提升控温精度,减小温度波动,降低电网冲击。


应用实例数据分析
01. 2014年广州发展1号轮在主辅共用的燃油供应单元上加装了一台80KW的辅助电加热器,同时实现了停泊时辅机使用重油、主机重油系统循环保温以及重油日用柜循环保温的功 能。从航次的数据对比得出,该船在停泊期间每天可节约燃油0.6T(冬季)至1.1T(夏季), 平均每天节约燃油0.85T。结果表明:油耗下降,经济效益极为明显。

02. 广州振兴船务有限公司新粤顺轮在主辅机共用的供油单元加装了一台80KW燃油电加热器,实现了停泊时辅机烧重油,主机重油系统循环保温以及燃油日用柜循环保温的功能。安装后的使用情况报告如下: (载重57300吨, 主机MAN B&W6S50MC-C, 辅机5L23/30H, 功率650千瓦,转速720,油品180cSt@50℃)


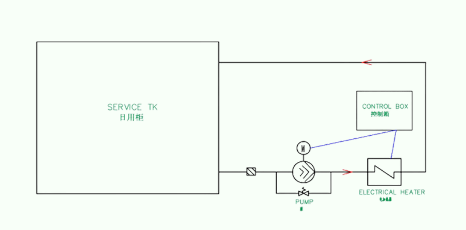
原理一:主辅机供油系统加热
Heating of Fuel Supply System for Main and Auxiliary Engines

原理二:燃油日用柜和沉淀柜加热保温
Heating and Insulation of Daily Fuel Tanks and Settling Tanks

原理三:主机冷却淡水系统循环保温
Circulating Insulation of Main Engine Cooling Fresh Water System

原理四:中央空调的冷风加温
Cold Air Heating of Central Air Conditioning
优势—PLC分组控制
分组控制,可以断开任意一组,延长设备的使用时间,减少维护成本。

优势—四层防护,确保安全
![]() | 1、加热面低于出口 2、出口安装有压力传感器,即只有当有压力油通过 时,加热器才工作。 3、加热管表面高温切断报警。防止表面高温干烧。 4、燃油出口高温切断报警。防止燃油温度较高。当 传感器故障时,报警并切断! |
优势—加热管制作工艺
![]() | 1.加热管严格按照《锅炉、加热器专用不锈钢无缝钢管》选材; 2.填充氧化镁粉严格把关; 3.油类加热管表面负荷做到极低,≤2W/cm2(远低于规范要求), 使加热更加温和,表面不易结 碳,油品不易变质。 |
优势—加热管制作焊接工艺
![]() | 1、增加材质及壁厚的过渡套管焊接工艺,使得加热
管与法兰之间的连接更加牢固,防止泄漏。 |

